Closer body TS 4000 R KM BG

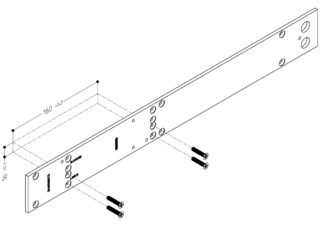
Mounting plate door closer * For TS 5000 RFS KM/TS 4000 R(-IS) with hole pattern in accordance with DIN EN 1154 Supplement 1

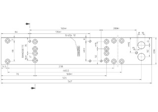
Mounting plate Door closer ID 058808
  • With hole pattern according to DIN EN 1154 Supplement 1
Contact us

Application Areas

  • Installation of the closer body in accordance with the DIN hole pattern

Technical data

Mounting plate door closer
Mounting plate with hole pattern in accordance with EN 1154 supplement Yes

Downloads

Variants & Accessories

Contact

GEZE Central +82-02-6205-3070